Сыйымдылықты дифференциалды қысымды таратқыштар қазіргі заманғы өнеркәсіптік аспапта және технологиялық процестерді автоматтандыруда маңызды құрылғылар болып табылады. Олар дифференциалды, манометрді және абсолютті қысымды жоғары дәлдікпен және ұзақ мерзімді тұрақтылықпен өлшеу үшін озық сыйымдылықты зондтау технологиясын пайдаланады. Дәстүрлі механикалық қысым датчиктерінен айырмашылығы, бұл таратқыштарда қозғалатын механикалық беріліс механизмдері жоқ , бұл оларды жинақы, берік және дірілге өте төзімді етеді. Тәуелсіз нөлдік және аралықты реттеулер өзара араласусыз дәлдікті қамтамасыз етеді және олардың барлық салаларда кеңінен қолданылуына ықпал етеді.

Қытайда көптеген қалалар дифференциалды қысым , манометрлік қысым және абсолютті қысымды өлшеу үшін әртүрлі үлгілерді шығаратын американдық Rosemount компаниясының өндірістік желілерін енгізді. Кейбір қондырғылар сонымен қатар жоғары статикалық қысым мен микро дифференциалды қысым қолданбаларына арналған нұсқалармен бірге ағынды өлшеуге арналған квадрат түбірді алуды қамтиды.
Сыйымдылық дифференциалды қысым таратқышы әдетте екі негізгі блоктан тұрады: 1-суретте көрсетілгендей өлшеу бөлімі және түрлендіру/күшейткіш бөлімі .

1-сурет: Сыйымдылықты дифференциалды қысым таратқышының схемасы
1—Осциллятор 2—Сыйымдылық сенсоры 3—Демодулятор 4—Дипазонды реттеу 5—Ток шектегіш
6—Қуат күшейткіші 7—Операциялық күшейткіш 8—Нөлдік реттеу және нөлдік көшу
9—Тербелісті бақылау күшейткіші 10—Эталондық кернеу көзі 11—Кернеу реттегіші 12—Полярлықты өзгертуден қорғау
Сыйымдылық сенсоры өлшенген дифференциалды қысымды (ΔP) сыйымдылықтың өзгеруіне түрлендіреді. Жоғары және төмен дифференциалдық конденсаторлар, C H және C L , жоғары жиілікті осциллятор арқылы қозғалады. Алынған ток вариациялары дифференциалдық сигналдарды ( i L - i H ) және жалпы режим сигналдарын ( i L + i H ) шығару үшін демодуляцияланады.
Дифференциалды сигнал кері байланыс сигналымен салыстырылады ( I f ), содан кейін күшейтіледі және тұрақты ток 4-20мА шығысына түрлендіріледі. Бұл шығыс тогы дифференциалдық сигнал мен шығыс тогы арасындағы сызықтық қатынасты сақтай отырып, жүктеме кедергісі және кері байланыс желісі арқылы өтеді.
Сыйымдылық сенсоры жоғары қысымды және төмен қысымды камераларға қосылған екі конденсаторды ( C H және C L ) құрайтын бекітілген электрод пластинасынан және жылжымалы өлшеу диафрагмасынан тұрады. Дифференциалды қысымды қолданғанда диафрагма ауытқиды, сыйымдылықтарды өзгертеді. Жоғары жиілікті осциллятор (әдетте 32 кГц) сыйымдылықтың осы өзгерістерін ағымдағы вариацияларға түрлендіреді, олар ΔP қолданылатын дифференциалдық қысымға пропорционал 4-20 мА тұрақты тұрақты сигналды генерациялау үшін күшейтіледі және түзетіледі.
Таратқыш ағынды өлшеу үшін пайдаланылғанда (мысалы , саңылау тақталары, вентури түтіктері немесе саңылаулар ) сигнал ағын жылдамдығымен сызықтық қатынасты алу үшін шаршы түбірді экстрактор арқылы өтеді. Құрылғы 24 В тұрақты екі сымды жүйеде жұмыс істейді, 12–45 В тұрақты ток кернеуін және 600 Ом жүктеме кедергісін қолдайды.
Екі камералы сыйымдылық дифференциалды қысым датчигі 2-суретте көрсетілген.

2-сурет: сыйымдылық дифференциалды қысым датчигінің екі камералы құрылымы
1, 4—Толқындық үлгілі оқшаулау диафрагмасы; 2, 3—Тот баспайтын болаттан жасалған негіз; 5 — шыны қабат; 6 — металл пленка; 7—Өлшеуіш диафрагма
Бұл құрылымда металл қабықшалар (6) қозғалмайтын электродтардың рөлін атқарады, ал өлшеу диафрагмасы (7) қозғалатын электрод ретінде қызмет етеді. Диафрагманың екі жағы силикон майымен толтырылған екі бөлек камераны құрайды . Сығылмайтын сұйықтық Δp = p_H − p_L дифференциалды қысымын диафрагма беттеріне береді.
Δp = 0 болғанда, екі жақтың сыйымдылықтары ( C H және C L ) тең болады. Δp ≠ 0 болғанда, диафрагма төмен қысымды жағына ауытқиды және C L > C H құрайды.
Дифференциалды сыйымдылықты пайдалану диэлектрлік өтімділіктегі температура ауытқуларынан туындайтын қателерді азайтады, осылайша сезімталдықты, дәлдікті және сызықтықты жақсартады — өндірістік процесті басқару және қысымды өлшеудегі маңызды факторлар.
Δp ≠ 0 болғанда, сыйымдылықтың өзгеруі 3-суретте көрсетілген.

3-сурет: Дифференциалдық қысым болған кезде екі жақтағы сыйымдылықтың өзгеруі
Теңдеулер: 

Бастапқы керілуі бар диафрагма үшін ауытқу дифференциалдық қысымға пропорционал: 
Мұндағы K ₁ – диафрагманың қисаюына, электродтардың аралығына және механикалық керілуіне байланысты құрылымдық константа. Бұл қатынас шығыс тоғының қолданылатын дифференциалдық қысымға тура пропорционалды болуын қамтамасыз етеді, бұл тамаша өлшеу дәлдігін қамтамасыз етеді.
Сыйымдылық қысымының сенсоры дифференциалды қысымды сыйымдылықтың пропорционалды өзгеруіне түрлендіреді. Бұл сыйымдылықты өлшеу үшін әдетте 32 кГц шамасында жоғары жиілікті айнымалы токтың қозуы қажет.

4-сурет: осциллятор тізбегі 5-сурет: осциллятордың қуат көзі
Осциллятор тізбегі (4-сурет)
Схема VT₁ транзисторына қосылған резонанстық контурды құрайтын орамдардан (6, 8 және 5, 7 терминалдары) және C₂₀ конденсаторынан тұрады. Айнымалы резистор R₂₉ статикалық жұмыс нүктесін анықтайды. Жиілік L индуктивтілігімен және С сыйымдылығымен анықталады.
Осциллятордың қуат көзі (5-сурет)
Сыйымдылықты өлшеу айнымалы ток кернеуіне негізделгендіктен, осциллятор кернеуі тұрақты болуы керек . Теріс кері байланысты басқару контуры жеткілікті іске қосу амплитудасын қамтамасыз ете отырып, кернеуді автоматты түрде тұрақтандырады.

6-суретте көрсетілгендей, сыйымдылықты ток генерациялау тізбегі және кернеуді қалыптастыру желісі тұрақты қоздыруды сақтайды.

6-сурет: Сыйымдылық ток генерациялау тізбегі және кернеу U ₂ Қалыптастыру тізбегі
Δp ≠ 0 болғанда, C_H төмендейді және C_L артады және екеуі арқылы өтетін жалпы ток келесі түрде өрнектеледі:

Автоматты кері байланыс кернеу тұрақтылығын және тұрақты сезімталдықты сақтай отырып, I L + I H = K₂ (тұрақты мән) болуын қамтамасыз етеді.
Сыйымдылықты ток генерациялау тізбегінде: ![]()
![]()
![]()
Бұрынғы қатынастарды ауыстыру: 
Жалпы шығыс тогы: ![]()
Осылайша, сыйымдылық дифференциалды қысым таратқышының 4-20 мА шығыс сигналы қолданылатын дифференциалды қысымға тура пропорционал .
Сондай-ақ құрылғы өнеркәсіптік қысымды өлшеу жүйелерінде тұрақты және қауіпсіз жұмысты қамтамасыз ететін нөлдік реттеуді , диапазонды калибрлеуді және кері полярлықты қорғауды қамтамасыз етеді.
Silverinstrumens.com шығарған SH сериялы қысым таратқыштары қауіпсіз және жарылыстан қорғалған орталарға арналған екі сымды 4-20 мА қысымды таратқыштар болып табылады.
Негізгі спецификациялар

Сурет 7: Қуат көзінің кернеуі мен жүктеме кедергісі арасындағы байланыс
Қоректендіру кернеуі ±1 В-қа ауытқыған кезде шығыс тоғының вариациясы сигналдың тұрақтылығы мен жоғары дәлдігін қамтамасыз ететін 0,005 % төмен болып қалады.
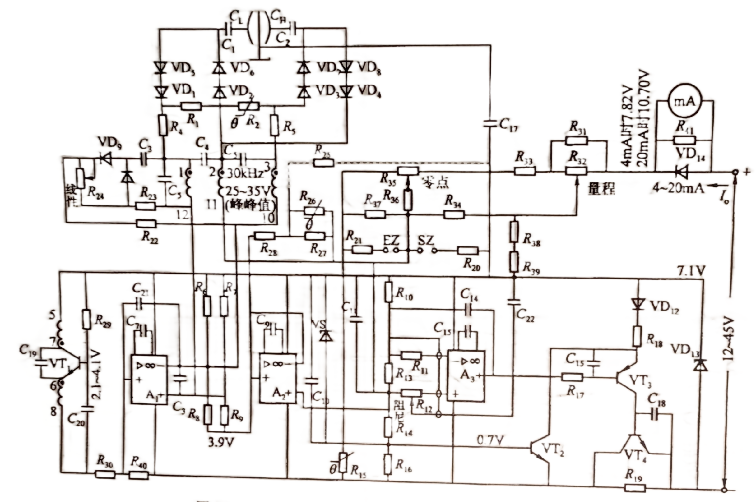
SHGP/SHDP дифференциалды қысым таратқышының жалпы схемасы 8-суретте көрсетілген

8-сурет: Сыйымдылық қысымды таратқыш/DP моделінің SH сериясының схемасы
Негізгі компоненттер мен функциялар:
Бұл элементтер әртүрлі өндірістік жағдайларда дәл және тұрақты өнімділікті қамтамасыз етеді, бұл SHGP/SHDP сериясын бүкіл әлем бойынша процестерді басқаруға және аспаптарға арналған ең сенімді сыйымдылық дифференциалды қысым таратқыштарының біріне айналдырады.
Төмен қысымды таратқыштар
2025/10/12
Төмен қысымды таратқыш: 16-60 мбар. Жоғары дәлдік: ±0,1~0,5% Харт протоколы, 4-20мА шығыс. Сандық дисплей mbar,psi,pa.
VIEW
Керамикалық қысым сенсоры
2025/10/12
Керамикалық сыйымдылық қысым датчигі. Шаюға және тозуға төзімді сенсор. Қысым сенсорының шығысы 4-20мА. Целлюлоза-қағаз өнеркәсібі үшін.
VIEW
Сыйымдылық қысым датчигі 3351
2025/10/12
Сыйымдылықты қысым датчигі - бұл тот баспайтын болаттан жасалған материал. Мұндай қысым датчигі сенсорға май құю арқылы қысымды немесе дифференциалды қысымды сезінуге арналған.
VIEW
SH 308 сериялы диффузиялық кремний қысым таратқышы
2025/10/12
SH 308 сериялы диффузиялық кремний қысым таратқышы туралы жалпы ақпарат SH 308 сериялы диффузиялық кремний қысым таратқыштары импортталған білікті кремний қысым датчиктерінің компоненттерін таңдайды,...
VIEW
Қашықтағы мембраналық тығыздағыштары бар SHDP / GP DP / Қысым таратқышы
2025/10/12
Қашықтағы мембраналық тығыздағыштары бар SHDP / GP дифференциалды қысым / қысым таратқышы өлшенген ортаның тығыздағыш диафрагмамен тікелей жанасуын болдырмайтын сенімді өлшеу әдісін ұсынады ...
VIEW
SHLT типті деңгейлік таратқыш
2025/10/12
SHLT (ақылды) фланецті типтегі деңгейлік таратқыш барлық деңгейдегі контейнерлер үшін дәл деңгей мен тығыздықты өлшей алады. Жақсы фланец және ұзартылған фланец бар, 3 «немесе 4», 1501b немесе 3001b ф...
VIEW